| Sign In | Join Free | My insurersguide.com |
|
Brand Name : TEYI
Model Number : HH49X
Certification : ISO/CE/API/TS
Place of Origin : China
MOQ : 1-10PCS
Price : negotiation
Payment Terms : L/C at Sight, T/T , Westem Union
Supply Ability : 500PCS per month
Packaging Details : Packed in woven bag firstly, and then reinforced with wooden case for outer packing
Product Name : Slowly closing check valve
Size : DN50 to DN1000
Pressure : PN6 to PN25
Working Temperature : 0 to 80 ℃
Medium : Water or Oil.
Inspection and testing Standard : GB/T13927 or API598
Automatic Actuated Flanged Check Valve , Sanitary Butterfly Check Valve
Description:
Slowly closing check valves are suitable for the drainage pipes of rinsing, sweage and seawater medium, the valves are aotomatically actuated. it not only avoid the refluence of the medium, but also can effectively avoid the water hammer in order to ensure the safety of pipe line in using. Be equipped with a three way needle valve controlled by two slowly closed piston .
Specifications:
| Material for main Parts | Body | Cast Iron,Ductile Iron, Carbon Steel |
| Disc | Carbon steel coated with Rubber | |
| Cover | Cast Iron,Ductile Iron, Carbon Steel | |
| Piston | Stainless Steel | |
| Bolt /Nut | Carbon Steel or SS | |
| Working Temperature | 0 to 80 Celsius degree | |
| Working Medium | Water, Oil | |
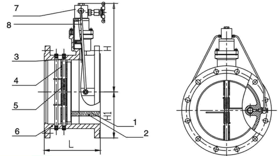
Installation Drawing:

Dimmension:

| Size | 50 | 65 | 80 | 100 | 125 | 150 | 200 | 250 | 300 | 350 | 400 | 450 | 500 | 600 | 700 | 800 | 900 | 1000 |
| H(mm) | 205 | 230 | 255 | 280 | 290 | 310 | 350 | 415 | 450 | 480 | 550 | 585 | 640 | 720 | 780 | 840 | 990 | 1050 |
| L(mm) | 125 | 160 | 170 | 190 | 200 | 210 | 230 | 250 | 270 | 290 | 310 | 330 | 350 | 390 | 430 | 470 | 510 | 550 |
Competitive Advantage:
1 . 30 years of industrial valves experience to guarantee quality.
2 . Always stand on the side of of the customer, and support customer to win the market and find new way.
3 . 12 months warranty
4 . Shorter Delivery time
|
|
Automatic Actuated Flanged Check Valve , Sanitary Butterfly Check Valve Images |